06.000 шарнир шаровой - чертежи, модели, спецификация

06.000 шарнир шаровой - чертежи, модели, спецификация

Раздел: Чертежи
Цена: 6.5 $
Товар: чертежи_модели_06.000_шарнир_шаровой_Аксарин.zip(2256.67 Кбайт)
Загружен: 08.10.2025 10:20:26
Количество продаж: 0
Количество возвратов: 0
Продавец: alexey_ktop
Продажа в кредит: Товар не продается в кредит
оплата через

Подробно о всех способах оплаты смотрите в разделе «Оплата и доставка».

Скидки: На данный товар скидка не предоставляется.
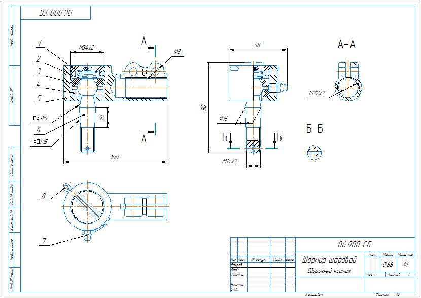
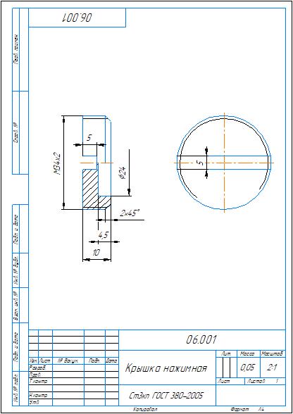
Сборочный чертеж, спецификация, 3D модель сборки шарнир шаровой 06.000 из альбома по деталированию Аксарина. Также приложены рабочие чертежи и 3D модели следующих деталей:
06.001 - крышка нажимная;
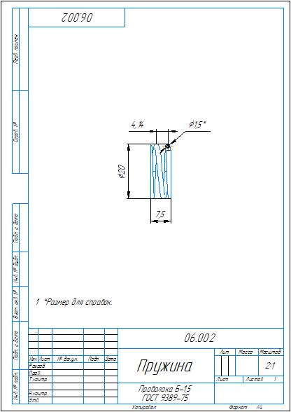
06.002 - пружина;
06.003 - сухарь;
06.004 - сухарь;
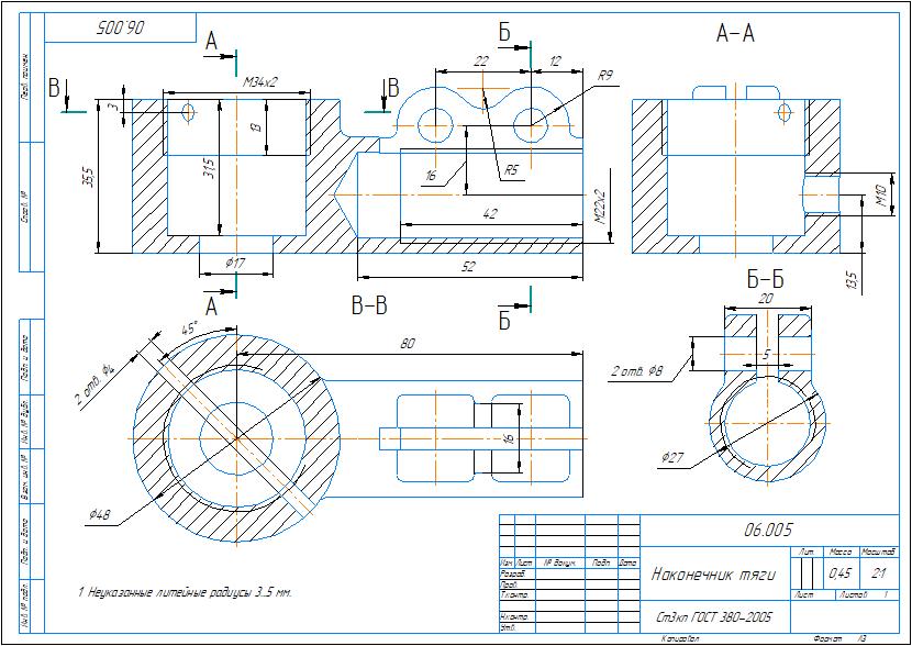
06.005 - наконечник тяги;
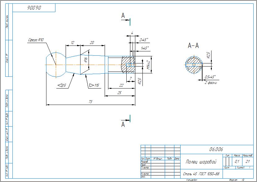
06.006 - палец шаровой.
Модели и чертежи выполнены в программе Компас 3D.
Дополнительная информация:
Отзывы покупателей (0):
Положительных отзывов0 Отрицательных отзывов0

Каталог